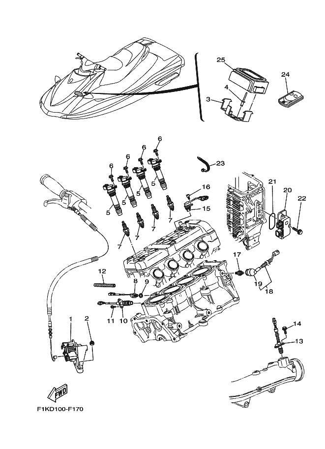
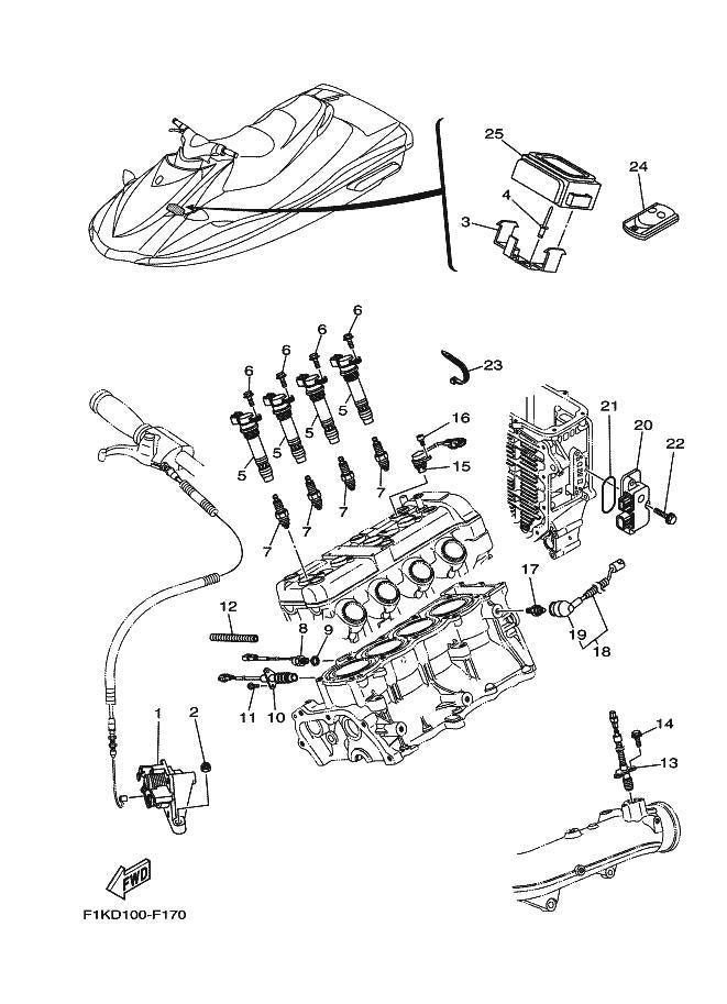
VXCruiser'08 OEM (ELECTRICAL-2) RECIVER COMP Used [Y3583-08]

YAMAHASKU: Y3583-08

Price:
Sale price¥11,000 Regular price¥12,400
Stock:
Only 1 unit left

Description

VXCruiser'08 OEM (ELECTRICAL-2) RECIVER COMP Used [Y3583-08]




INCLUDED ITEM[NUMBER/NAME]
6B6-86265-00/RECIVER COMP

Estimate shipping

You may also like

Recently viewed