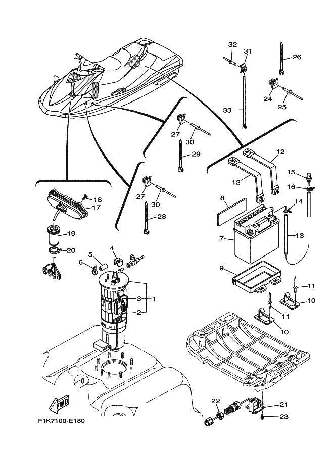
VXCruiser'08 OEM (ELECTRICAL-3) SENSOR SPEED Used [Y3583-16]

YAMAHASKU: Y3583-16

Price:
Sale price¥16,500 Regular price¥18,600
Stock:
Only 1 unit left

Description

VXCruiser'08 OEM (ELECTRICAL-3) SENSOR SPEED Used [Y3583-16]




INCLUDED ITEM[NUMBER/NAME]
F1S-U8K31-02/SENSOR SPEED
EU0-62241-30/NUT, DRAIN 1

Estimate shipping

You may also like

Recently viewed