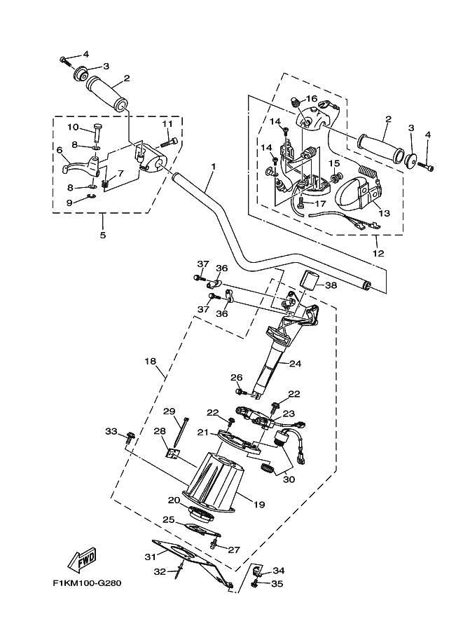
VXCruiser'08 OEM (STEERING-1) SENSOR ASSY Used [Y4063-39]

YAMAHASKU: Y4063-39

Price:
Sale price¥22,000 Regular price¥24,800
Stock:
Only 1 unit left

Description

VXCruiser'08 OEM (STEERING-1) SENSOR ASSY Used [Y4063-39]




INCLUDED ITEM[NUMBER/NAME]
F1W-68303-00-00/SENSOR ASSY

Estimate shipping

You may also like

Recently viewed