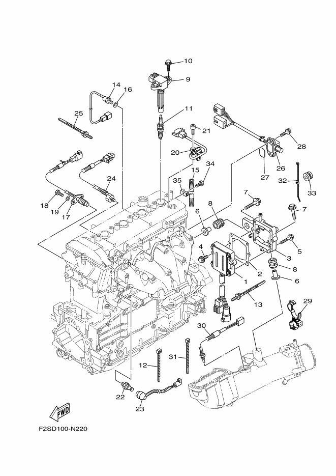
FXCruiserSVHO'16 OEM (ELECTRICAL-2) IGNITION COIL ASSY Used [Y7815-10]

YAMAHASKU: Y7815-10

Price:
Sale price¥5,500 Regular price¥6,200
Stock:
Only 1 unit left

Description

FXCruiserSVHO'16 OEM (ELECTRICAL-2) IGNITION COIL ASSY Used [Y7815-10]




INCLUDED ITEM[NUMBER/NAME]
6S5-82310-00/IGNITION COIL ASSY

Estimate shipping

You may also like

Recently viewed